杭州威龍不銹鋼灑水泵-灑水車水泵價格報價-湖北程力
簡介:杭州威龍不銹鋼灑水泵-灑水車水泵價格報價-湖北程力
杭州威龍不銹鋼灑水泵-灑水車水泵價格報價-湖北程力
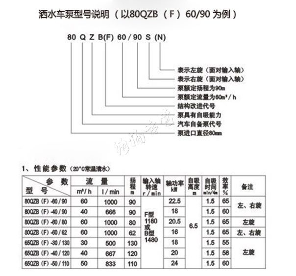
杭州威龍不銹鋼灑水泵 不銹鋼灑水泵型號:80QZ-40/32S(N),80QZ-40/42S(N),50QZ-8/25S(N),50QZ-12/32S(N)此類不銹鋼灑水泵是在多年研制自吸式離心泵經驗的基礎上最新研制的新產品。不銹鋼灑水泵性能符合部頒標準QC/T29114-93《灑水車技術條件》中對泵規定的要求。以上型號不銹鋼泵特別適用于3噸以下改裝車使用。本產品具有結構簡單,運行平穩,效率高,使用可靠等優點。不銹鋼泵型號說明:以80QZ-40/32S(N)為例:80代表泵進口直徑80mm,Q代表汽車自備泵代號Z代表泵具有自吸能力40代表泵額定流量為40(m/h)32代表泵額定揚程為32mS代表右旋(面對輸入軸)N代表左旋(面對輸入軸)型號:80QZ-40/32S(N)流量(m3/h)/(l/min):40/667揚程(m):32輸入軸轉速(r/min):1450軸功率(kw):6.2自吸高度(m):6.5自吸時間(min/4m):1.5輸入軸旋轉方向:左轉或右轉










杭州威龍不銹鋼灑水泵-灑水車水泵價格報價-湖北程力