灑水車配件廠家-灑水車水泵售后維修說明
簡介:灑水車配件廠家-灑水車水泵售后維修說明
灑水車配件廠家-灑水車水泵售后維修說明
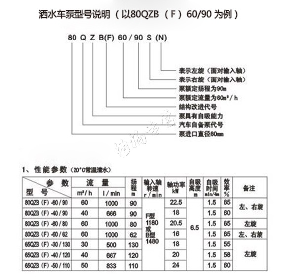
灑水車水泵售后維修說明 近日,青海的客戶胡先生打來電話詢問灑水車水泵問題,胡先生說:剛買的杭州威龍灑水泵,型號是80QZF-60/90S,貨到后安裝到灑水車上,發現漏水現象。我公司技術部分析:新買的灑水車水泵出現漏水,原因只有一個,就是新泵使用第一次泵內未加滿液體,灑水車水泵出現空轉現像,造成機械密封干磨擦以致于灑水車水泵損壞。 灑水車水泵是灑水車最重要的配件之一,灑水車的自吸、噴水都是靠灑水泵來完成的。操作灑水車的司機需注意了:平時除了對灑水車底盤以及其它上裝部分進行保養外,對灑水泵的保養也是尤其關鍵的,灑水車水泵保養的好,一般能使用5-6年。








灑水車配件廠家-灑水車水泵售后維修說明